电工必须| 配电箱接线图才能理解安全快速安装的
电工必须| 配电箱接线图才能理解安全快速安装的详细资料由专业的低压开关柜、低压配电柜、低压配电箱报价厂家为您提供。
配电箱是指将开关设备、测量仪器、保护装置和辅助设备组装在一个封闭或半封闭的金属柜内,或根据电气接线要求安装在屏幕上,形成一个低压配电箱。以下是对2+接线图以及如何安装2+的介绍。

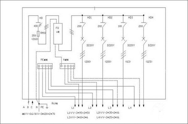
一、系列配电箱接线图




第二,1级配电箱接线图

三级和二级配电箱接线图



四.主页配电箱安装
1、家庭配电箱分为金属外壳和塑料外壳两种,有明式和暗式两种,盒子必须完好无损。
2、家庭配电箱接线母线箱内应分别设置零线、保护接地线、相线,并要完好,绝缘良好。
3.空气开关的安装支架应光滑无阻碍,并有足够的空间。
主页配电箱安装点有:
1、家庭配电箱应安装在干燥、通风的地方,且无阻碍,使用方便。
2、族配电箱配电箱不应安装得太高,一般安装标高为1.8米,以便操作
3、进配电箱电管道必须用锁紧螺母固定。
4.如果族配电箱配电箱需要打开孔,孔的边缘必须平滑。
5.配电箱嵌入墙体时,应垂直水平,边缘留有6mm的缝隙。
6.配电箱接线应整齐有序,端子螺丝必须拧紧。
7、每圈进线必须有足够的长度,不得有接头。
8.安装后,请注明每个电路的使用名称。
9.安装后,住户必须清理2+中的残留物。
以上描述了配电箱的接线图以及如何安装配电箱的接线图,让我们安全快速地安装它。
读完之后,如果对每个人都有帮助,请转发并收集更多,这样更多的人可以学到这些专业知识。谢谢您们。
建筑业大量资料的小汇编。
如果你想了解建筑行业,请关注我!一体化电源和电源视频

作者:民用云图书馆(微信KS8391)
更多选型规格报价定制等问题可及时联系厂家,以上就是电工必须| 配电箱接线图才能理解安全快速安装的全部内容。

 
 
  
  
  
 